Search any question & find its solution
Question:
Answered & Verified by Expert
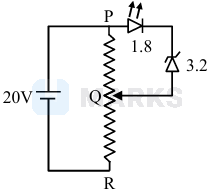
A potential divider circuit is connected with a dc source of $20 \mathrm{~V}$, a light emitting diode of glow in voltage $1.8 \mathrm{~V}$ and a zener diode of breakdown voltage of $3.2 \mathrm{~V}$. The length (PR) of the resistive wire is $20 \mathrm{~cm}$. The minimum length of PQ to just glow the LED is _____$\mathrm{cm}$


Solution:
1276 Upvotes
Verified Answer
The correct answer is:
5

$\begin{aligned} & \mathrm{PR}=20 \mathrm{~cm} \\ & \mathrm{~V}_{\mathrm{PQ}}=\frac{1}{4} \times \mathrm{R}_{\mathrm{PR}} \\ & \ell_{\min }(\mathrm{PQ})=\frac{1}{4} \times 20 \\ & =5 \mathrm{~cm}\end{aligned}$
Looking for more such questions to practice?
Download the MARKS App - The ultimate prep app for IIT JEE & NEET with chapter-wise PYQs, revision notes, formula sheets, custom tests & much more.