Search any question & find its solution
Question:
Answered & Verified by Expert
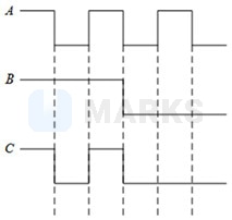
If & is given in figure, then output will be

Options:

Solution:
1597 Upvotes
Verified Answer
The correct answer is:
For gate




Looking for more such questions to practice?
Download the MARKS App - The ultimate prep app for IIT JEE & NEET with chapter-wise PYQs, revision notes, formula sheets, custom tests & much more.