Search any question & find its solution
Question:
Answered & Verified by Expert
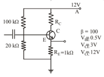
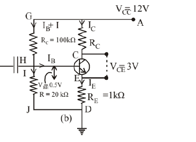
In the circuit shown in fig. (a), find the values of $\mathrm{R}_{\mathrm{C}}$.


Solution:
1237 Upvotes
Verified Answer
In the given figure, By applying Kirchoff's rule at transistor
$$
\begin{aligned}
&I_E=I_C+I_B \text { and } I_C=\beta I_B \\
&I_C R_C+V_{C E}+I_E R_E=V_{C C} \text { or } I_C R_C+3+I_E R_E \\
&=12 \\
&\mathrm{I}_{\mathrm{C}} \mathrm{R}_{\mathrm{C}}+\mathrm{I}_{\mathrm{E}} \mathrm{R}_{\mathrm{E}}=9 \quad\left(\because \mathrm{I}_{\mathrm{B}} < \mathrm{I}_{\mathrm{C}}\right) \\
&\because \quad \mathrm{I}_{\mathrm{E}} \cong \mathrm{I}_{\mathrm{C}}=\beta \mathrm{I}_{\mathrm{B}} \\
&
\end{aligned}
$$
So, $\mathrm{I}_{\mathrm{C}} \mathrm{R}_{\mathrm{C}}+\left(\beta \mathrm{I}_{\mathrm{B}}\right) \mathrm{R}_{\mathrm{E}}=9$
$$
\beta I_\beta\left(R_C+R_E\right)=9
$$
By Kirchoff's Rule :-
$$
\begin{aligned}
&\left(\mathrm{RI}_{\mathrm{B}}+\mathrm{V}_{(\mathrm{BE})}+\mathrm{R}_{\mathrm{E}} \mathrm{I}_{\mathrm{E}}=\mathrm{V}_{\mathrm{CC}}\right) \\
\Rightarrow \quad &\left(\mathrm{I}_{\mathrm{B}} \mathrm{R}+\beta \mathrm{I}_{\mathrm{B}} \mathrm{R}_{\mathrm{E}}\right)=\mathrm{V}_{\mathrm{CC}}-\mathrm{V}_{\mathrm{BE}} \\
\text { So, } &\left(\mathrm{R}+\beta \mathrm{R}_{\mathrm{E}}\right) \mathrm{I}_{\mathrm{B}}=\mathrm{V}_{\mathrm{CC}}-\mathrm{V}_{\mathrm{BE}} \\
\Rightarrow \mathrm{I}_{\mathrm{B}}=\frac{\mathrm{V}_{\mathrm{CC}}-\mathrm{V}_{\mathrm{BE}}}{\mathrm{R}+\beta \cdot \mathrm{R}_{\mathrm{E}}}=\frac{12-0.5}{(20+100 \times 1) \mathrm{k}}=\frac{11.5}{120 \times 10^3} \\
=& 0.096 \mathrm{~mA} \\
\text { From } & \text { Eq. (ii), } \beta \mathrm{I}_{\mathrm{B}}\left(\mathrm{R}_{\mathrm{C}}+\mathrm{R}_{\mathrm{E}}\right)=9 \\
&\left(\mathrm{R}_{\mathrm{C}}+\mathrm{R}_{\mathrm{E}}\right)=\frac{9}{\beta \mathrm{I}_{\mathrm{B}}}=\frac{9}{(100 \times 0.096) \mathrm{mA}} \\
& \mathrm{R}_{\mathrm{C}}+1000 \Omega=0.938 \mathrm{k} \Omega \\
& \mathrm{R}_{\mathrm{C}}=62 \Omega
\end{aligned}
$$
$$
\begin{aligned}
&I_E=I_C+I_B \text { and } I_C=\beta I_B \\
&I_C R_C+V_{C E}+I_E R_E=V_{C C} \text { or } I_C R_C+3+I_E R_E \\
&=12 \\
&\mathrm{I}_{\mathrm{C}} \mathrm{R}_{\mathrm{C}}+\mathrm{I}_{\mathrm{E}} \mathrm{R}_{\mathrm{E}}=9 \quad\left(\because \mathrm{I}_{\mathrm{B}} < \mathrm{I}_{\mathrm{C}}\right) \\
&\because \quad \mathrm{I}_{\mathrm{E}} \cong \mathrm{I}_{\mathrm{C}}=\beta \mathrm{I}_{\mathrm{B}} \\
&
\end{aligned}
$$
So, $\mathrm{I}_{\mathrm{C}} \mathrm{R}_{\mathrm{C}}+\left(\beta \mathrm{I}_{\mathrm{B}}\right) \mathrm{R}_{\mathrm{E}}=9$
$$
\beta I_\beta\left(R_C+R_E\right)=9
$$

By Kirchoff's Rule :-
$$
\begin{aligned}
&\left(\mathrm{RI}_{\mathrm{B}}+\mathrm{V}_{(\mathrm{BE})}+\mathrm{R}_{\mathrm{E}} \mathrm{I}_{\mathrm{E}}=\mathrm{V}_{\mathrm{CC}}\right) \\
\Rightarrow \quad &\left(\mathrm{I}_{\mathrm{B}} \mathrm{R}+\beta \mathrm{I}_{\mathrm{B}} \mathrm{R}_{\mathrm{E}}\right)=\mathrm{V}_{\mathrm{CC}}-\mathrm{V}_{\mathrm{BE}} \\
\text { So, } &\left(\mathrm{R}+\beta \mathrm{R}_{\mathrm{E}}\right) \mathrm{I}_{\mathrm{B}}=\mathrm{V}_{\mathrm{CC}}-\mathrm{V}_{\mathrm{BE}} \\
\Rightarrow \mathrm{I}_{\mathrm{B}}=\frac{\mathrm{V}_{\mathrm{CC}}-\mathrm{V}_{\mathrm{BE}}}{\mathrm{R}+\beta \cdot \mathrm{R}_{\mathrm{E}}}=\frac{12-0.5}{(20+100 \times 1) \mathrm{k}}=\frac{11.5}{120 \times 10^3} \\
=& 0.096 \mathrm{~mA} \\
\text { From } & \text { Eq. (ii), } \beta \mathrm{I}_{\mathrm{B}}\left(\mathrm{R}_{\mathrm{C}}+\mathrm{R}_{\mathrm{E}}\right)=9 \\
&\left(\mathrm{R}_{\mathrm{C}}+\mathrm{R}_{\mathrm{E}}\right)=\frac{9}{\beta \mathrm{I}_{\mathrm{B}}}=\frac{9}{(100 \times 0.096) \mathrm{mA}} \\
& \mathrm{R}_{\mathrm{C}}+1000 \Omega=0.938 \mathrm{k} \Omega \\
& \mathrm{R}_{\mathrm{C}}=62 \Omega
\end{aligned}
$$
Looking for more such questions to practice?
Download the MARKS App - The ultimate prep app for IIT JEE & NEET with chapter-wise PYQs, revision notes, formula sheets, custom tests & much more.