Join the Most Relevant JEE Main 2025 Test Series & get 99+ percentile! Join Now
Search any question & find its solution
Question: Answered & Verified by Expert
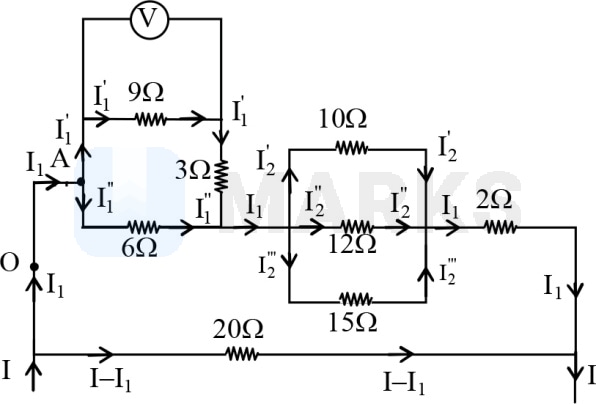
In the given circuit, the voltmeter reading is 4.5 V . Assuming that the voltmeter is ideal, current through 12Ω resistance is -

PhysicsCurrent ElectricityJEE Main
Options:
  • A 1 A
  • B 0.5 A
  • C 0.25 A
  • D 0.1 A
Solution:
1844 Upvotes Verified Answer
The correct answer is: 0.5 A

The voltmeter is ideal so it doesn't draw any current from the circuit.
Potential difference across 9 Ω resistance = 4.5 V (given)

So  the current in the 9 Ω resistance = 4.59=0.5 A

i.e., I1=0.5 A

The same current I1 passes through 3 Ω. The resistors 9 Ω and 3 Ω are in series and their equivalent, i.e., 12 Ω is in parallel with 6 Ω between A and B . Dividing the current in the inverse ratio of resistances between A and B ,

I1I1=612=12

I1=2I1=2 × 0.5=1 A

and I1=I1+I1=0.5+1=1.5 A

at junction C, I1 divides into three parts. Since the resistances 10Ω, 12Ω, 15 Ω are in parallel between C and D , current will distribute in the inverse ratio of resistances.

 I2 : I2 : I2=110 : 112 : 115

=6 : 5 : 4

I2=515× 1.5=0.5 A

So I2=6k, I2=5k, I2=4k

( k being a constant of proportionality)

and I1=I2+I2+I2=15k

but I1=1.5 A

 15 k=1.5

or k=0.1

so I2=5k=0.5 A

Thus current through 12 Ω resistance is 0.5 A

Looking for more such questions to practice?

Download the MARKS App - The ultimate prep app for IIT JEE & NEET with chapter-wise PYQs, revision notes, formula sheets, custom tests & much more.