Search any question & find its solution
Question:
Answered & Verified by Expert
Two identical capacitors and charged to the same potential are connected in two different circuits as shown below at time If the charge on capacitors and at time is and respectively, then (Here is the base of natural logarithm)

Options:

Solution:
2954 Upvotes
Verified Answer
The correct answer is:
Charge on capacitor after charging with a battery of potential ,
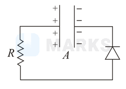
Now, capacitor is connected as shown in the figure.

As diode is in reverse bias, so capacitor charge remains same after time .
In case , capacitor is connected as shown in the figure.

Here, diode is in forward bias, so capacitor discharges and its charge decays as
where,
Looking for more such questions to practice?
Download the MARKS App - The ultimate prep app for IIT JEE & NEET with chapter-wise PYQs, revision notes, formula sheets, custom tests & much more.