Search any question & find its solution
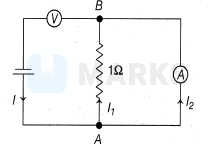
A student uses the resistance of a known resistor ( ) to calibrate a voltmeter and an ammeter using the circuits shown below. The student measures the ratio of the voltage to current to be in circuit
(a) and in circuit (b). From these measurements, the resistance (in ) of the voltmeter and ammeter are found to be close to

When a voltmeter put in series, it still reads potential drop and when an ammeter is connected in parallel, it still shows current through it.
Case a

Let current through cell, then potential drop read by voltmeter is (this is reading of voltmeter) Where, is the resistance of voltmeter In loop, and
Where, is the resistance of ammeter We substitute for from above equation to get
(this is reading of ammeter)
Now given,
1000$
Case b

Let current through cell, then ammeter reading in this case is I.
Also, in loop A B,
As,
So,
Hence, voltmeter reading is (this is reading of voltmeter)
Now given, voltmeter reading ammeter reading
Substituting in Eq (i), we get
or
Looking for more such questions to practice?
Download the MARKS App - The ultimate prep app for IIT JEE & NEET with chapter-wise PYQs, revision notes, formula sheets, custom tests & much more.