Search any question & find its solution
Question:
Answered & Verified by Expert
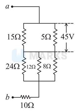
Find the potential difference between and , as shown in the below circuit.

Solution:
1032 Upvotes
Verified Answer
The correct answer is:
Equivalent for parallel combination of is
Similarly for three parallel resistor's equivalent
Now current through branch,
Voltage across is
Looking for more such questions to practice?
Download the MARKS App - The ultimate prep app for IIT JEE & NEET with chapter-wise PYQs, revision notes, formula sheets, custom tests & much more.